Latine
> DCXL × DXII resolutio, princeps sensus sensorem.
> 12μm pixel picem.
> XXX ~ 120mm motorized scelerisque lens.
> Support Fast Auto Focus.
> Support variis ILS munera.
> Suscipe ignis deprehensio.
> Support Analog et Aer Dual output.
|
Exemplar |
SG - TCM06N2 - M(XXX) CXX |
|
|
Sensor |
Imago sensorem |
Uncooled Vox microbolometer |
|
Resolutio |
DCXL × DXII |
|
|
Magnitudine pixel |
12μm |
|
|
Vestibulum |
VIII ~ 14μm |
|
|
Netd |
≤40mk @ XXV ° C, 1.0 # |
|
|
Lens |
Focalis |
XXX ~ 120mm motorized lens |
|
Optical zoom |
4x |
|
|
Digital Zoom |
8x |
|
|
F valorem |
F1.0 ~ F1.4 |
|
|
FOV |
° × 14.69 ° 14.59 ° × 11.69 ° ~ |
|
|
Video |
Compressio |
H.265 / H.264 / H.264B / H.264H / Mjpeg |
|
Snapshot |
Jpeg |
|
|
Pseudo |
Support: White calidum, nigrum calidum, ferrum rubrum, iris I, Fulgurite, iris II, eget, caeruleo rubrum, electri, Arctic, Tint |
|
|
Flumina |
Pelagus amnis: XXV / 30fps @ MCCLXXX × MXXIV, XXV / 30fps @ MCCLXXX × DCCXX, XXV / 30fps @ DCXL × Sub - Fluvius: XXV / 30fps @ DCXL × DXII, 25fps @ CCCLII × CCLXXXVIII, 25fps @ CCCLII × CCXL |
|
|
Network |
Network protocol |
IPv4, IPv6, HTTP, HTTPS, TCP, UDP, RTSP, RTCP, RTP, ARP, NTP, FTP, DHCP, PPPoE, DNS, DDNS, UPnP, IGMP, ICMP, SNMP, SMTP, QoS, 802.1x, Bonjour |
|
Interoperability |
Onvif, http API, SDK, GB28181 |
|
|
Max. Nexus |
20 |
|
|
Intellegentia |
Generalis |
Motion, Tamper, SD Card, Network |
|
Ivs munera |
Tripwire transeuntibusque saepem deprehensio, intrusionem, relicta object, ieiunium - movens, raedam deprehensio, turba congregatione aestimationem, absentis objectum, loitrae deprehendatur. |
|
|
Ignem |
Subsidium |
|
|
Interface |
Ethernet |
4pin ethernet Portus, 10m / 100m sui - adaption |
|
Analog Video |
1CH CVBs |
|
|
Terrorem in / de |
1/1 |
|
|
Audio in / de |
1/1 |
|
|
Rs485 |
Subsidium |
|
|
Resolutio |
50Hz, 25fps @ (MCCLXXX × MXXIV) |
|
|
PRAECLUSIO |
Micro SD / SDHC / SDXC Card (usque ad 1TB) Edge PRAECLUSIO, FTP, NAS |
|
|
POPULUM |
DC 12V, 1a |
|
|
Potentiam consummatio |
Static Power: 3W, Sports Power: 6W |
|
|
Operating conditionibus |
- XXX ° C + LX ° F / XX% ad LXXX RH |
|
|
Conditions repono |
- XL ° F ° F LXX ° F / XX% ad XCV% RH |
|
|
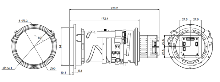
Dimensiones |
Φ110 (LABIS) × 221mm, Φ1120 (Max. Altiore dimension) |
|
|
Pondus |
Proxime. 1.72kg |
|

Relinque nuntium

